3.3V/5V双电源电压
高速 1Mbit/s
低功耗
-55°C 至 100°C 的宽工作温度范围
高输入输出隔离电压 ( Viso = 3750Vrms )
安全认证:UL,VDE,CQC,CE
符合 RoHS、REACH 标准 MSL I 级。
3.3V/5V双电源电压
高速 1Mbit/s
低功耗
-55°C 至 100°C 的宽工作温度范围
高输入输出隔离电压 ( Viso = 3750Vrms )
安全认证:UL,VDE,CQC,CE
符合 RoHS、REACH 标准 MSL I 级。
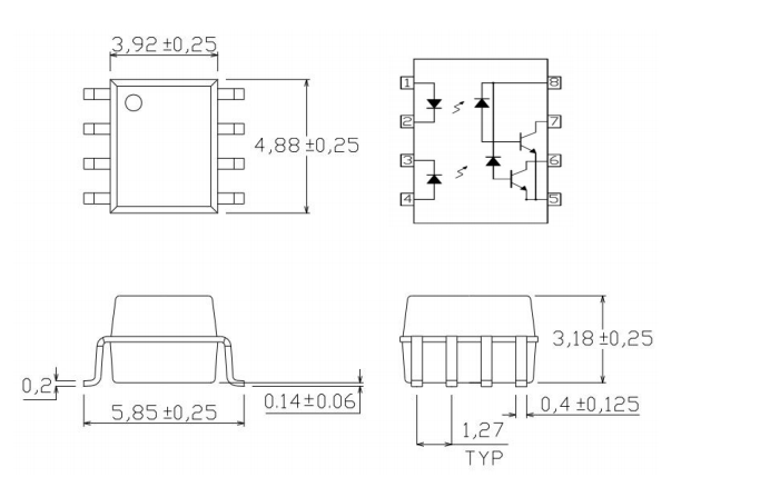
OR-053X器件均由一个红外发射二极管组成,该二极管通过光学耦合到一个高速光电探测器晶体管。光电二极管偏置和输出晶体管集电极的分离连接通过降低输入晶体管的基极-集电极电容,使速度比传统的光电晶体管耦合器提高了几个数量级。
无刷驱动器
工业
空调机
再生能源转换器
线路接收器
交流电机驱动器
电信设备
测试仪器
交换电源
信号传输
开关电源
