电流传输比(IF = 1mA,VCE = 2V时,CTR : 最小1000%)
高集电极-发射极电压 (VCEO = 300V)
宽工作温度范围 -55~110ºC
高输入输出隔离电压 ( Viso = 3750Vrms )
安全认证:UL,VDE,CQC,CE
符合 RoHS、REACH 标准 MSL I 级。
电流传输比(IF = 1mA,VCE = 2V时,CTR : 最小1000%)
高集电极-发射极电压 (VCEO = 300V)
宽工作温度范围 -55~110ºC
高输入输出隔离电压 ( Viso = 3750Vrms )
安全认证:UL,VDE,CQC,CE
符合 RoHS、REACH 标准 MSL I 级。
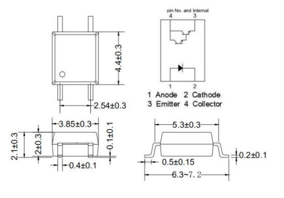
OR-352系列器件由红外LED光电晶体管探测器组成。
对标表
Avago | Onsemi/ | Toshiba | Omron | Vishay | Liteon | EL | Cosmo | sharp |
FODM352 | TLP187 | PS2733-1 | EL452-G |
家用电源
开关电路
系统设备
电磁阀控制
电话机
交流电机驱动器
温度控制
测试仪器
序列控制器
信号传输器
