1、光通量±5%
2、正向电压±0.1V
1、光通量±5%
2、正向电压±0.1V
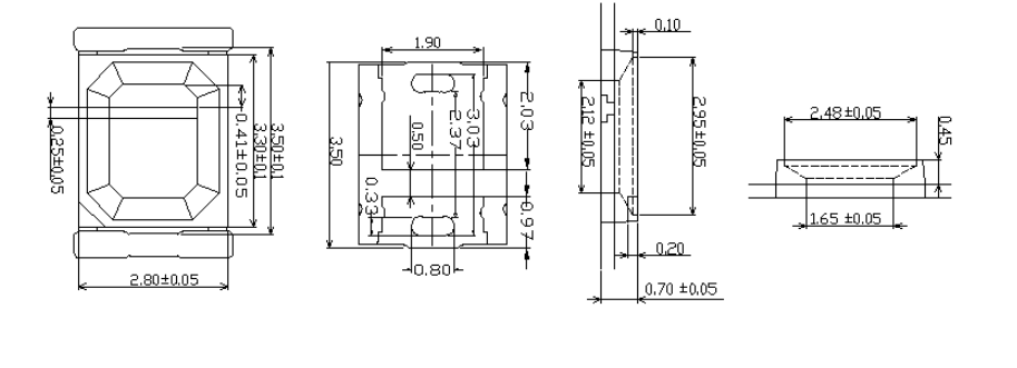
● 适用于所有SMT组装和焊接工艺
●符合RoHS指令
• 日光灯
• 球泡灯
• 面板灯广告灯箱
• 灯条灯带指定选择的LED灯珠
